Back to Current Electricity
Class 12PhysicsChapter-3

Current Electricity

Question 5 of 730

5Medium

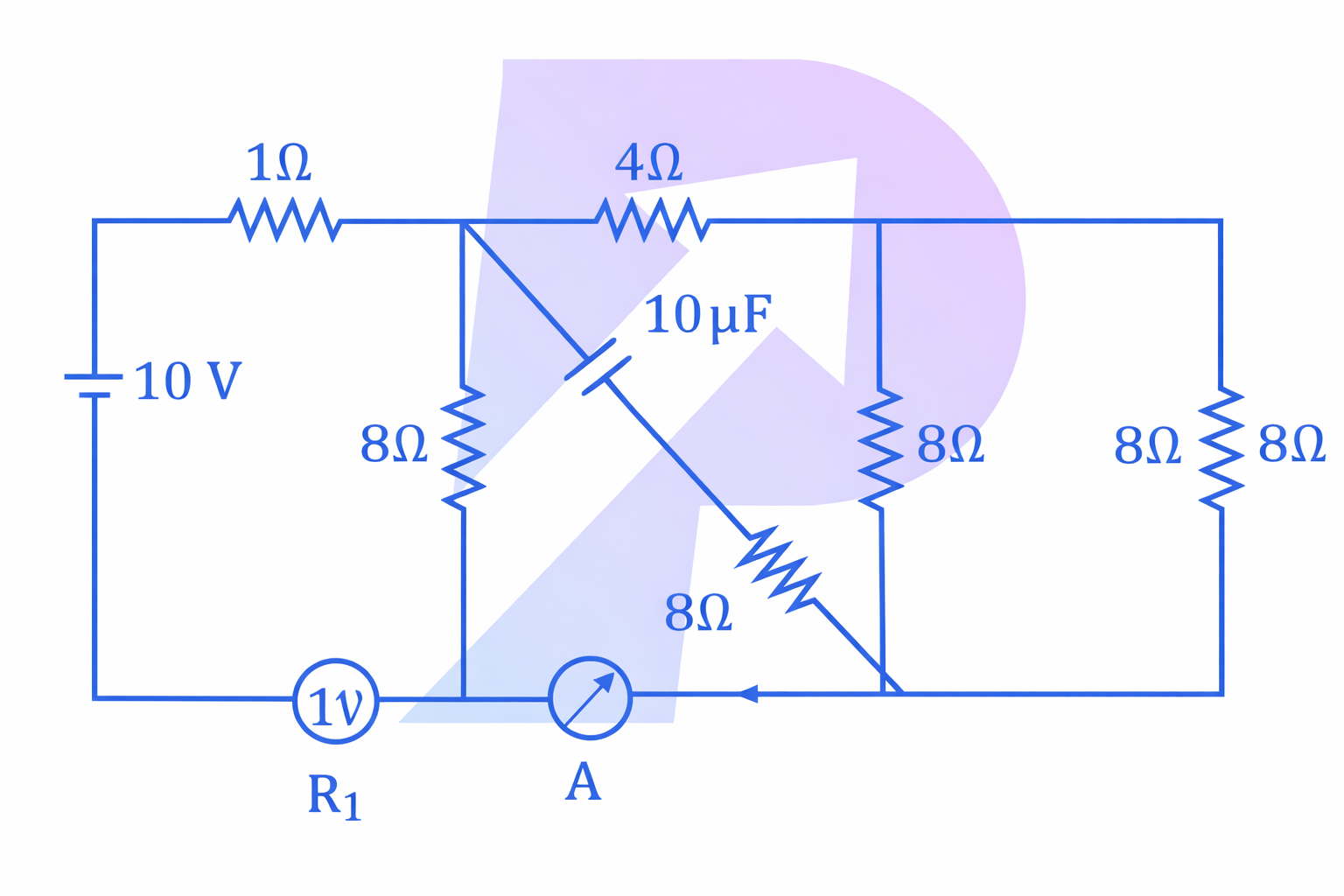
The reading of the ammeter (A) in steady state for the given circuit (assuming negligible internal resistance of the ammeter) is ______ \text{A}.

Question illustration

Choose the correct answer: